Varaosahaku

Venttiilikopantiiviste Suzuki GSX-R 1100 1988-1992, GSF 1200 Bandit 1996-2006 - OEM

44,00€

Tuotekoodi: 1117306B03

 NORMAALISTI VARASTOTUOTE

Suzuki OEM Venttiilikopan tiiviste - Dragrace.fi
Suzuki Genuine Parts

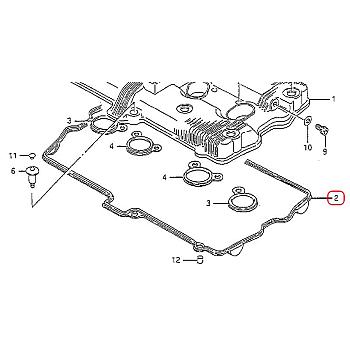
Venttiilikopan tiiviste (OEM)

Aito alkuperäinen Suzuki-venttiilikopan tiiviste. Tämä tiiviste on suunniteltu Suzukin legendaarisille ilma/öljyjäähdytteisille (SACS) moottoreille. Koska nämä moottorit käyvät perinteisiä vesijäähdytteisiä moottoreita kuumempina, alkuperäisen OEM-tiivisteen materiaali on ratkaisevassa roolissa tiiveyden ylläpitämisessä ja kovettumisen ehkäisemisessä.

Tekniset tiedot
TuotetyyppiAlkuperäinen venttiilikopan tiiviste
OEM-numerot11173-06B03, 11173-06B02, 1117306B03, 1117306B02
Yhteensopivuus GSX-R 1100 (1988-1992)
GSF 1200 Bandit (1996-2006)
MateriaaliOEM-speksattu korkealaatuinen kumi
Myyntierä1 kpl
Ominaisuudet ja edut
  • Suzuki Genuine Part: Täydellinen mitoitus varmistaa, että tiiviste asettuu uraansa tiukasti eikä "pullota" asennusvaiheessa.
  • Korkea lämmönkesto: Optimoitu SACS-moottoreiden vaativille lämpötiloille, säilyttäen elastisuutensa huomattavasti tarviketiivisteitä pidempään.
  • Öljynkestävyys: Erityinen kumiseos kestää nykyaikaisten öljyjen lisäaineet haurastumatta.
HUOMIOITAVAA ASENNUKSESSA:
Vaihda tiiviste aina venttiilien säädön yhteydessä varmistaaksesi moottorin puhtauden. Muista puhdistaa tiivisteurat ja sylinterinkannen tasopinta huolellisesti. Suosittelemme käyttämään pientä määrää Suzuki Bond -tiivisteliimaa tiivisteen puolikaarien kulmiin. Tarkista samalla myös venttiilikopan pulttien tiivisterenkaiden kunto.
Sopivuus
Merkki Malli Vuosimallit
Suzuki GSF 1200 Bandit 1996 - 2006
Suzuki GSX-R 1100 1988 - 1992
Valmistaja